Log in or Sign up
Forum Teknisi Laptop Indonesia
Home
>
Forum Teknisi Laptop Indonesia
Premium
MS-7976 REV1.1 BoardView
admin
26 Jun
360
0
0
Premium
GA-RX7Y4 REV1.0 BoardView PDF
admin
26 Jun
606
0
0
H13 MB REV3.0 Schematic
admin
25 Jun
448
0
0
GA-W2U805 REV1.0 Schematic
admin
25 Jun
433
0
0
GA-D1US-RH REV1.0 Schematic And Boardview PDF
admin
25 Jun
469
0
0
GA-P6UL05 Schematic
admin
25 Jun
405
0
0
GA-P6UN25 REV1.3 Schematic
admin
25 Jun
334
0
0
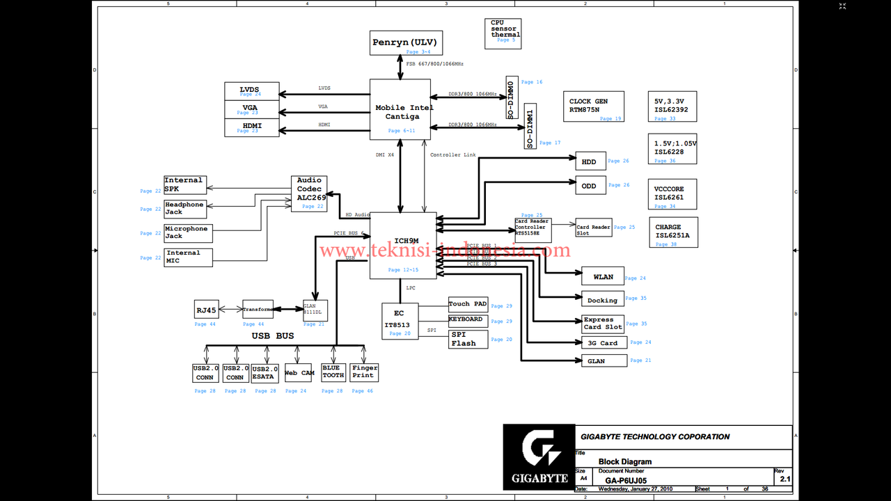
GA-P6UJ05 REV2.1 Schematic
admin
25 Jun
328
0
0
Page 394 of 1895
< Prev
1
←
392
393
394
395
396
→
1895
Next >
Your name or email address:
Do you already have an account?
No, create an account now.
Yes, my password is:
Forgot your password?
Stay logged in
Forum Teknisi Laptop Indonesia
Home
>
XenForo Add-ons by Brivium ™ © 2012-2026 Brivium LLC.
Forums
Forums
Quick Links
Recent Posts
Donate US
Get VIP NOW !!!
Resources
Resources
Quick Links
Most Active Authors
Gallery
Gallery
Quick Links
Categories
Explore User's Albums
New Albums
New Photos
New Videos
Streams Cloud
Menu